Page 2343 - Foton Workshop Manual - Tunland (AT)
P. 2343
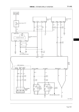
WIRING - SYSTEM CIRCUIT DIAGRAM 71-141
Ignition switch
ON or START
Corner sensor Yaw rate sensor
C041 D018
Power CAN L- CAN H- Ground Power Signal Signal Ground
2 4 3 1 4 2 3 1
F30 Indoor fusebox C037
7.5A
O-R G-Y V-Y
O-R L-Y R-W B 5 D203 22 23 D201
C303 C301
O-R B
O-R
19
Ignition power ABS
B1 F1
Combination instrument
Instrument control unit C 013 G-Y V-Y
71
Ground CAN L- CAN H-
3 15 16 C201
27 28 A301
R-W L-Y
B
18 17 C203
A303
B2
CAN comunication system L-Y R-W
14 26 33 20
CAN-L CAN-H
ESP
ECU
A006
4WD model use
Sensor Sensor Sensor
ground siganl power ESP OFF switch HDCswitch Motor ground Ground
32 24 5 12 9 13 38
Br-Y L-Y
Br-Y G-Y V-Y
26 27 28 A302 26 29 A301 B B
C101 C201
C401 C301 C303
21 22 23 21 4
D301 D201 D203
1 4 1 4
ESP HDC
OFF switch D205
1 2 3 Acceleration switch D017 18 C305
sensor D016
D008
Acceleration sensor 2 6 2 6 B
B B B B
Backlight lighting system
F1 A7
ftwx711086
Page 2343

