Page 1334 - Workshop Manual - Aumark (BJ1051)
P. 1334
61-62
Circuit-System circuit diagram
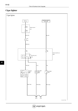
Cigar lighter
Cigar lighter
Battery Ignition switch
ACC/ON
Chassis fuse box
White-Blue Blue-Red
White-Blue
Vehicle body fuse box
Small lamp relay
61
Green-Blue Green Gray
Terminal Cigar lighter
Combined Cigar lighter
Switch switch lighting
(position)
Small lamp
Big lamp
White-Black White-Black White-Black
Page 1334

