Page 1340 - Workshop Manual - Aumark (BJ1051)
P. 1340
61-68
Circuit-System circuit diagram
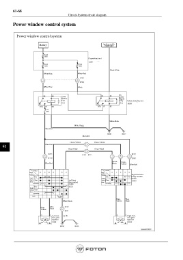
Power window control system
Power window control system
Battery Ignition switch
ON/START
Chassis fuse box 1
Black-White
White-Blue White-Red
White-Blue White
IG
Power power
relay supply Vehicle body fuse box
window
relay
White-Black
White-Black
Blue-Red
Blue-Red
Blue-Red Green-Yellow Green-Yellow
61
Green-Black Green-Black
Blue-Red Green- Green- Blue-Red
Black
Yellow
Terminal Terminal
Switch Switch
(position (position Right front door
) )
Rise Rise power window
Left Right switch
front Close Left front front Close
door door control door
Descending switch Descending
Rise
Right
front Close
door
Descending
Lock
White-Black Blue- Blue-
Black
Yellow
Blue-
Yellow Black
Blue-
Left front Right front
door glass
regulator
regulator door glass
Rise Descending Rise Descending
Page 1340

