Page 1632 - Foton Workshop Manual - Auman EST-M
P. 1632
EL - 208 Electrical system –circuit
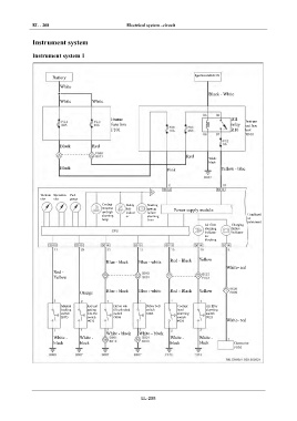
IN
Instrument system
DI Instrument system 1
EG Battery Ignition switch G1
White
TR Black - White
White White
AX
Frame IG1
Instrum
fuse box relay ent fuse
F101 R10 box
FR
B100
Black Red
ST
Red
White -
black
BR Black Pink Yellow - blue
BW
Tachom Speedom Fuel
eter eter gauge
EL Coolant Safety Braking
temperat belt system
ure high indicat failure Power supply module
alarming or alarming Combinati
lamp lamp on
instrument
Air filter Charging
alarming failure
indicator indicator
for
blocking
Blue - black Blue - white Red - Black Yellow
White- red
Red -
Yellow
Orange Blue - black Blue - white Red - Black Yellow
Manual Key not Driver cab Driver belt Coolant Air filter
braking getting tilt unlocked switch level alarming
switch into the switch G003 alarming switch
B075 switch G006 switch F025
B032 F026 White- red
White - black White - black
White - White - White - White -
black black black black Generator
F030
EL-208

