Page 1627 - Foton Workshop Manual - Auman EST-M
P. 1627
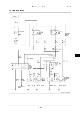
Electrical system –circuit EL - 203
The front lamp system IN
Battery DI
EG
White
TR
AX
Frame fuse Dipped High beam
headlight relay
box relay R14 Instrument
F101 R12 fuse box
B100 FR
Red
ST
Red
BR
Red - Red Blue-black
Black - white
BW
Dipped headlight relay EL
Red - R08-87
Green Red
- white Red - white Green
Red - Red - blue
Yellow Headlight
adjustme Red -
nt switch
B012 black
Dipped Light
headlight relay
combinati
High beam
on switch
Passing B034
light
Red - Red - Red Red -
White Yellow Yellow - white black
Right front
Left front
combinatio combination
White - Red - headlight Left front dipped beam Left front high n light headlight Right front dipped beam Right front high light
black Yellow B004 B070
White - black White - black White - black
White - black
Body controller B2
B061-18
EL-203

