Page 1654 - Foton Workshop Manual - Auman EST-M
P. 1654
EL - 230 Electrical system –circuit
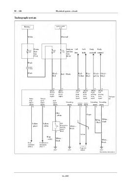
IN Tachograph system
DI
Battery Ignition switch
ACC
EG
White Blue-red
TR
AX Frame Instrum Left Left Body Body
fuse ent fuse low high controll controll
box box
F101 B100
FR
Black
ST
Black Black - Red - Blue - Green - Green -
BR Red - White
Red Yellow black yellow black
BW
EL
Battery Battery Low High Right Left
power power beam beam steering steering
supply supply lamp lamp lamp lamp Tachogra
Brake Vehicle signal signal signal signal ph
lamp speed SOS
signal signal signal Grounding Grounding Grounding
Blue
- white Green
White White -
- black black
Yellow Yellow S0S
- green - white Emergency White -
warning
switch black
B045
Yellow
Blue
- white White - White -
black black
Body Combination
controller instrument
B060-2 B015-7
Diagnosis
system
EL-230

