Page 1659 - Foton Workshop Manual - Auman EST-M
P. 1659
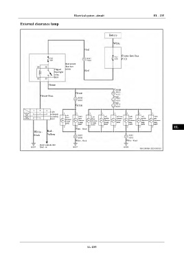
Electrical system –circuit EL - 235
External clearance lamp IN
Battery DI
White
EG
Red
Frame fuse box
F101 TR
Instrument
fuse box
Dipped B100 Red AX
headlight
relay
R08
FR
Green
Green
Green ST
Green-blue Green
Green
Green BR
Light
Low beam combinati
lights Left BW
Dipped on switch front Right Left Left Left rear Right Left Right
headlight B034 clearanc front front middle clearanc front middle rear
e lamp clearanc clearanc clearanc e lamp clearance clearance clearance
lamp
lamp
lamp
K004
e lamp
e lamp
E002 e lamp
E003 K002 K003 K005 K006 K007
EL
White - black
White - Red -
black Yellow
White - black White - black
Body controller B2
B061-18
EL-235

