Page 1663 - Foton Workshop Manual - Auman EST-M
P. 1663
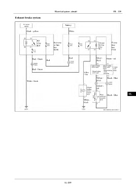
Electrical system –circuit EL - 239
Exhaust brake system IN
IG1 power Battery
supply DI
Black - yellow White
EG
IG1
relay Instrume Exhaust Frame TR
R10 nt fuse braking fuse
box relay box
B100 R11 F101
AX
Red Green -
Red - Green Green - red
Red black FR
Exhaust braking Exhaust braking
control signal control power Engine
Red - Green supply ECU ST
Exhaust braking F099
Exhaust braking
Yellow switch signal switch
- blue grounding
BR
Yellow - Black - Blue
White - black green
Yellow - BW
Exhaust red
braking
solenoi
d valve
F023 Wiper Black - Blue EL
combinati
on switch
switch
White - B030
black
Exhaust braking
EL-239

