Page 1661 - Foton Workshop Manual - Auman EST-M
P. 1661

Electrical system –circuit                         EL - 237

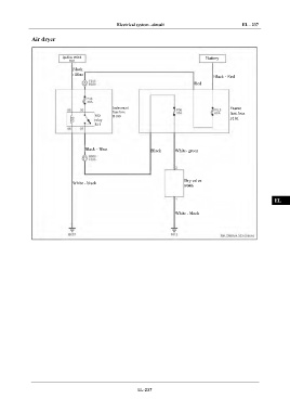
              Air dryer                                                                                           IN

                           Ignition switch                                           Battery                      DI
                              IG2

                               Black
                               - Blue                                                    Black - Red              EG

                                                                                 Red
                                                                                                                  TR

                                               Instrument                                      Frame
                                               fuse box                                        fuse box           AX
                                        IG2    B100
                                        relay                                                  F101
                                        R15
                                                                                                                  FR


                                                                                                                  ST
                                    Black - Blue               Black     White- green


                                                                                                                  BR

                               White - black                                 Dry valve                            BW
                                                                             F046


                                                                                                                  EL

                                                                         White - black



























                                                          EL-237
   1656   1657   1658   1659   1660   1661   1662   1663   1664   1665   1666