Page 1291 - Workshop Manual - Aumark (BJ1051)
P. 1291

61-19
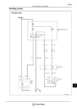
                                                   Circuit-System circuit diagram
               Starting system



                   Starting system


                              battery










                                                                                          Chassis fuse box 1



                                                              Starting relay








                                                                   Black-red    white-red










                                 red             white   White-black   Black-red   white







                                                                                         Body fuse box




                                                                     Black-white  White-blue


                                                                           Terminal
                                                                     Switch (position)      Ignition switch
                                                Starter

                                                                                                                    61



                                     Self-grounding











                                                                                                        Page 1291
   1286   1287   1288   1289   1290   1291   1292   1293   1294   1295   1296