Page 1290 - Workshop Manual - Aumark (BJ1051)
P. 1290

61-18
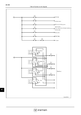
                                             Circuit-System circuit diagram








                                                                                  Inside lamp


                                                                                  Combined meters

                                                                                  ABS anti-lock braking system
                                                                                  Exhaust brake
                                                                                  Turn warning lamp and danger warning lamp
                                                                                   Reverse lamp
                                                                                  Wiper system


                                                                                  Brake lamp

                                                                                  AC system








                                                        left highbeam
                                                         relay







                                                        light changing relay






                                                        Right highbeam
                                                         relay                       Headlamp






                                                        light  relay






   61















                                                                                                        Page 1290
   1285   1286   1287   1288   1289   1290   1291   1292   1293   1294   1295