Page 1620 - Foton Workshop Manual - Auman EST-M
P. 1620
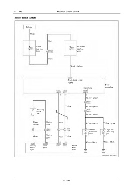
EL - 196 Electrical system –circuit
IN Brake lamp system
DI Battery
EG White
Black
TR
Frame Instrument
fuse box fuse box
AX F101 B100
Black
FR
Black - Yellow
ST
BR
Brake lamp power
supply
BW Body
controller
Brake lamp
signal
EL
Yellow - green
Yellow Yellow - green
Brake lamp
switch
B003 Yellow - green
Green Black - Green Yellow - green Yellow - green
- white Blue
Left rear Right rear
brake lamp brake lamp
H012 H011
Black -
Green Green Yellow
Blue
White - black White - black
Braking Switch Engine
switch ground ECU
signal F099
EL-196

