Page 1642 - Foton Workshop Manual - Auman EST-M
P. 1642
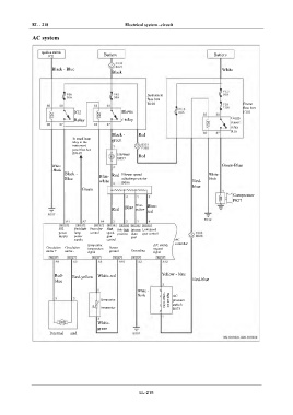
EL - 218 Electrical system –circuit
IN AC system
Ignition switch Battery Battery
DI IG2
Black - Blue White
Black
EG
TR Instrument
fuse box
B100 Frame
fuse box
AX IG2 Blowe F101
Relay r relay Comp
ressor
relay
FR R16
Black - Red
To small lamp green
relay in the
instrument
ST panel fuse box
R09-87 Blowers
B057 Red
BR White Green-Blue
-black
Black - Blue- Red Blower speed White-
Blue white adjusting resistor Red- black
BW B056 blue
Green
Compressor
F027
EL Blue-
Red Blue yellow Blue-
red
IG2 Backlight Fan relay High Sub-high Interme Low speed
power lamp control speed position diate gear control
supply power gear gear
supply control AC
Evaporator A/C switch controller
Circulation Circulation temperature Sensor request
motor + motor - signal ground Grounding signal
Red- Red-yellow White-red Yellow - blue
blue Red-blue
White -
black AC
Evaporator voltage switch High and low pressure
switch
temperatur B073
e sensor
White-
green
Internal and
external
EL-218

