Page 16 - Deeplom
P. 16

16


















































































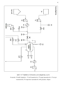
                                  Şəkil 1.5 Təmizləmə  bölməsinin avtomatlaşdırma sxemi:


                     N-nasoslar, İD-istilik dəyişicilər,  FT-sərf transmitterləri, PT-təzyiq transmitterləri, LT-səviyyə
                                 transmitterləri, TT-temperatur transmitterləri, MV-qarışdırıcı  klapan.
   11   12   13   14   15   16   17   18   19   20   21