Page 9 - Organisasi Memori
P. 9
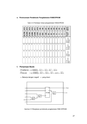
e. Perencanaan Pendekode Pengalamatan RAM/EPROM
Tabel 2 3 Pemetaan lokasi pengalamatan RAM/EPROM
A15 A14 A13 A12 A11 A10 A9 A8 A7 A6 A5 A4 A3 A2 A1 A0 Daerah Memori
32.768 16.384 8.192 4.096 2.048 1.024 512 256 128 64 32 16 8 4 2 1 (penyimp anan)
0 0 0 0 0 0 0 0 0 0 0 0 0 0 0 0
0000 H alamat awal EPROM
0 0 0 0 1 1 1 1 1 1 1 1 1 1 1 1
0FFFH alamat akhir EPROM
0 0 0 1 0 0 0 0 0 0 0 0 0 0 0 0
1000H alamat awal RAM
0 0 0 1 0 1 1 1 1 1 1 1 1 1 1 1
17FFH alamat akhir RAM
f. Persamaan Boole
CS EPROM (( = MREQ A 15 ) A 14 A 13 A 12 )
CS RAM = ((( MREQ A 15 ) A 14 ) A 13 A12 ) A 11 )
Bekerja dengan negatif yang dicari
Gambar 2 5 Rangkaian pendekode pengalamatan RAM /EPROM
27

